線接触時のEHL解析(カットクラウニングころ)(2)
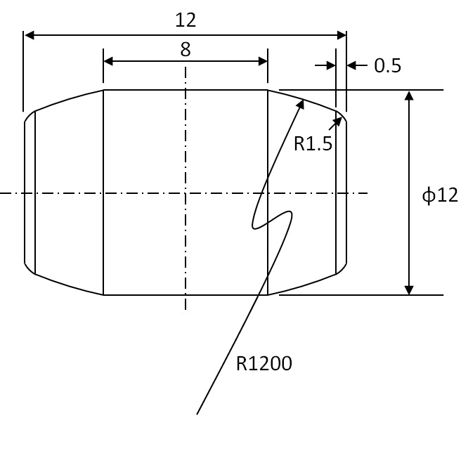
事例e2では、線接触時の解析事例として、下記文献のV1ころ(直線部長さ8mm、クラウニング半径=R330)を使用しましたが、本事例ではV4ころ(直線部長さ8mm、クラウニング半径=R1200)を使用し(下図参照)、接触領域が直線部を超えてクラウニングR部にはみ出した場合の解析を実施します(負荷荷重変更:300N-->2000N)。
解析モデルは、事例e2と比較して、ころクラウニング半径(上述)と負荷荷重が異なります。モデル作成には3D-CADを使用し、形状データをインポートします(本解析ではNOCPACが必要です)。
(文献)
「エッジロード発生時のころ軸受寿命予測への多点LP法の適用 〜カットクラウニングころの場合〜」, 長谷 陽夫, 機械学会2011年度年次大会, S112013(2011).

図1 カットクラウニングころV4(φ12x12)と円筒内輪(φ20x20)
(注)V1ころのクラウニング半径はR330
<解析結果>
(1)接触面圧
TEHLACによるEHL接触面圧解析結果と、NOCPACによるDRY時の接触面圧解析結果の比較図を、以下に示します。

(a)x方向接触面圧 (b)y方向接触面圧
図2 接触面圧計算結果(DRYとEHL)
X方向面圧分布では、事例e2と異なり、EHL解析結果に典型的な圧力スパイクが発生しています。これは事例e2と比べて、負荷荷重が大きいためと考えられます。
Y方向面圧分布に関しては、DRYとEHLで圧力分布計算結果は、ほぼ一致しています。カットクラウニングころの直線中央部を超えてクラウニングR部まで接触領域がはみだしていますが、ころ端部にまでは、至っていない状況になっています。
(2)油膜形状
油膜形状計算結果を以下に掲載します。

(a)X方向油膜厚さ(面圧併記) (b)Y方向油膜厚さ(面圧併記)
図3 油膜厚さ計算結果(EHL)
図3(a) X方向油膜厚さのグラフでは、十分なフラット部が存在することがわかります。(事例e2では荷重が小さいため、顕著なフラット領域は発生しませんでした)
図3(b) Y方向油膜厚さのグラフでは、直線部の中央部で油膜厚さがわずかに増大し(グラフではプラス方向に膨らみ)、直線部端部 Y=±4mmの位置へ向かうにつれ、油膜厚さがわずかに減少しています(グラフではマイナス方向に湾曲)。また、その外側のクラウニング部(Y>4mm, y<-4mm)では、ころ端部に向かうにつれて、油膜厚さは若干増大していますが、接触部の端部付近(Y=±5.0mm付近)でも、わずかに油膜が減少しているように見えます(図ではわかりにくいですが、油膜厚さ曲線はわずかに湾曲しています)。
事例e2では接触面圧が直線部を超えてクラウニングへはみ出した場合、直線部のエッジロードが大きくて、上記 Y=±4mmの位置での油膜が減少し、浮上できませんでしたが、V4ころではクラウニング半径が大きく、直線部とクラウニング部が比較的滑らかにつながるため、クラウニング部へはみだして浮上することができたと考えられます。
(3)3Dグラフ
参考までに、接触面圧計算結果を2つの角度で3Dグラフ表示します。

(a)3D接触面圧 (b)3D接触面圧(別角度)
図3 3D接触面圧(EHL)
〒438-0088
静岡県磐田市富士見台4−8
TEL 0538-33-3239
FAX 0538-34-9094
e-mail info@korogari-kaiseki.com